ترانسمیتر سطح روزمونت Rosemount level transmitter 2051L یک ابزار دقیق پیشرفته برای اندازهگیری سطح مایعات است که دارای ویژگیهای زیر میباشد:
- حداکثر فشار عملیاتی: 300 psi (20.68 بار)
- محدوده دمای فرآیند: از 105- تا 205 درجه سانتیگراد
- متریال خیس شده: 316L SST، آلیاژ C-276، مواد خیس شده تانتالیوم
- پروتکلهای ارتباطی:
HART 4-20 میلیآمپر
HART بیسیم
FOUNDATION Fieldbus
PROFIBUS
HART کممصرف 1-5 ولت
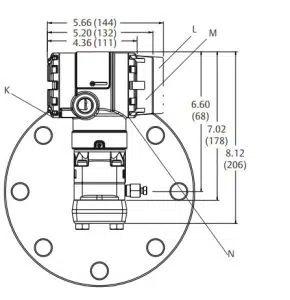
اتصالات فرآیندی:
سمت فشار بالا:
- 2 اینچ (50.8 میلیمتر)، 3 اینچ (72 میلیمتر) یا 4 اینچ (102 میلیمتر)
- فلنج ASME B 16.5 (ANSI) کلاس 150 یا 300
- فلنج DIN 2501 PN 40 یا 10/16 در اندازههای 50، 80 یا 100 میلیمتر
سمت فشار پایین:
- ¼-18 NPT در فلنج
- ½-14 NPT در آداپتور فرآیند
ویژگیهای نصب و پیکربندی:
- اتصال دیافراگم سیل در طرف فشار پایین
- پیکربندی فلنج: 2 اینچ (نصب فلاش)، 3 و 4 اینچ


- حلقه اتصال فلاشینگ اختیاری (محفظه پایینی)


- مونتاژ دیافراگم و فلنج نصب

قیمت ترانسمیتر سطح روزمونت 2051L
شرکت فرتاک ایمن ویژن تأمینکننده انواع تجهیزات ابزار دقیق میباشد. جهت استعلام قیمت و دریافت مشاوره با ما در تماس باشید:
021-88800719
سوالات متداول
1. ترانسمیتر سطح روزمونت 2051L برای چه کاربردهایی مناسب است؟
این ترانسمیتر برای اندازهگیری سطح مایعات در مخازن تحت فشار، مخازن باز، صنایع نفت و گاز، پتروشیمی، آب و فاضلاب و فرآیندهای شیمیایی استفاده میشود.
2. حداکثر فشار و دمای عملیاتی این ترانسمیتر چقدر است؟
حداکثر فشار عملیاتی 300 psi (20.68 بار) و محدوده دمای فرآیند از 105- تا 205 درجه سانتیگراد است.
3. چه متریالی در ساخت این ترانسمیتر استفاده شده است؟
بدنه و اجزای خیس شده از 316L SST، آلیاژ C-276 و تانتالیوم ساخته شدهاند که مقاومت بالایی در برابر خوردگی دارند.
4. چه پروتکلهای ارتباطی برای این ترانسمیتر موجود است؟
این مدل از پروتکلهای ارتباطی HART 4-20 میلیآمپر، HART بیسیم، FOUNDATION Fieldbus، PROFIBUS و HART کممصرف 1-5 ولت پشتیبانی میکند.
5. نحوه اتصال فشار بالا و پایین چگونه است؟
سمت فشار بالا: فلنجهای ASME B 16.5 (ANSI) کلاس 150 یا 300 و فلنجهای DIN 2501 PN 40 یا 10/16 در اندازههای مختلف سمت فشار پایین: ¼-18 NPT در فلنج و ½-14 NPT در آداپتور فرآیند
6. آیا امکان نصب دیافراگم سیل برای این ترانسمیتر وجود دارد؟
بله، در سمت فشار پایین میتوان از دیافراگم سیل برای محافظت در برابر سیالات خورنده و دماهای بالا استفاده کرد.
7. چگونه میتوان قیمت این ترانسمیتر را استعلام گرفت؟
برای استعلام قیمت و دریافت مشاوره تخصصی با فرتاک ایمن ویژن تماس بگیرید: 021-88800719






نقد و بررسیها
هنوز بررسیای ثبت نشده است.