شیر برقی ضد انفجار برند مکسیل (Maxseal) که از زیرمجموعههای برند مادر IMI محسوب میشود، یکی از تولیدکنندگان برتر شیرهای برقی صنعتی ضد انفجار است. این برند در کنار نامهای مشهوری همچون آسکو (Asco)، بیفولد (Bifold) و نورگرن (Norgren)، در صنایع ایران جایگاه ویژهای دارد.
مدل ICO4S این برند با طراحی پیشرفته در انواع 2/2، 3/2 و 5/2 عرضه میشود و سایز پورتهای ورودی آن شامل 1/4، 1/2 و 3/4 اینچ است. اتصالات این مدل مطابق با استاندارد NPT طراحی شدهاند.
این شیر برقی با عملکرد مستقیم (Direct Acting) برای کنترل سیالات هیدرولیکی و پنوماتیکی ایدهآل است.
همچنین بخوانید: آشنایی با شیر برقی آتوس مدل DHE / DHI
ویژگیهای کلیدی شیر برقی ICO4S
- دبی بالا: این شیر برقی جریان سیال را به شکلی بهینه مدیریت میکند.
- فشار کاری گسترده: از حداقل 20 بار تا حداکثر 414 بار عملکرد دقیق دارد.
- دوام بالا: با رعایت استانداردهای معتبر بینالمللی، برای استفاده در شرایط طولانیمدت اطمینانبخش است.
- گواهینامهها و استانداردها: دارای تأییدیههایی مانند NEPSI، KOSHA، IECEx، FM، ATEX و بسیاری دیگر.
- مقاومت در برابر شرایط محیطی سخت: به صورت نرمال در دمای منفی ۲۰ تا ۹۰ درجه سانتیگراد کار میکند و در محیطهای سرد سیری میتواند در دماهای منفی ۶۰ درجه سانتیگراد نیز کار کند
- طراحی با متریال باکیفیت: از فولاد ضدزنگ 316L برای بدنه و تریم استفاده شده است.
- دارای IP protection با شماره IP66/68 نیز است.
- باید به صورت عمودی نصب شود و دارای CV از ۰.۸ تا ۵ میباشد که در میان شیربرقیهای دارای flow جریان بالایی است و این CV بالا از مزایای آن به حساب میآید.
- علاوه بر سایزهای 1/4، 1/2، 3/4 میتواند به صورت منیفولد هم نصب شود و دارای فشار های عملکردی ۲۰ بار، ۵۰ بار ، ۲۰۷ بار، ۴۱۴ بار میباشد.
مشخصات و انواع مدل ها ICO4S
این شیرها در مدلهای مختلف طراحی شدهاند که هرکدام متناسب با نیازهای خاص صنعتی کاربرد دارند.
جدول زیر مشخصات این شیر برقی را شرح میدهد:
شیربرقیهای ۲/۲ که دارای دو حالت و دو وضعیت میباشند،مدل نامبرهای زیر مصرفی هستند:
- Y121AA1H1
- Y131AA3H1
- Y113AA5H1
- Y121PA1H1
- Y121PE3H1
شیر برقیهای 3/2 که دارای سه حالت و دو وضعیت میباشند، مدلهای زیر مصرفی میباشند:
- Y123PA1H1
- Y123PA3H1
- Y123BA1H1
- Y123SA1H1
- Y123AA1H1
- Y123AA3H1
- Y113AA5H1
شیر برقی مکسیل Maxseal با مدل ICO4S به صورت universal عمل میکنند یعنی هم میتواند NC نرمال کلوز باشند و هر نرمال اوپن NO.
مدل 5/2 که دارای ۵ حالت و دو وضعیت است که غالباً برای اکچویتر های بدون فنر مورد استفاده قرار میگیرد.
مدل Y115AA3H1 از مدلهای مصرفی آن است.
شما میتوانید از جدول زیر (option selector) مدل مورد نظر خود را انتخاب نمایید:
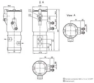
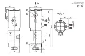
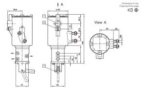
شیر برقی 3/2 و 2/2 که هیچگونه آپشن عملکردی خاصی ندارند دارای نقشه و شکل زیر است:
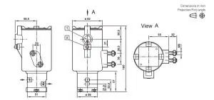
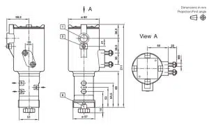
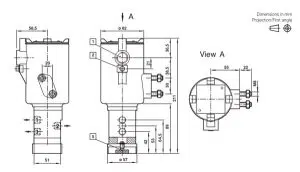
شیربرقیهایی که به صورت منیفولد نصب میشوند دارای نقشه زیر میباشند:
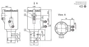
شیربرقی بدون آپشن با سایز 3/4 دارای نقشه زیر میباشند:
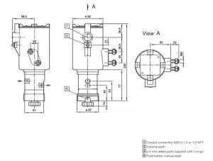
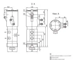
شیر برقی مکسیل (Maxseal) با آپشن ( Push button manual reset) نقشه زیر را دارا است:
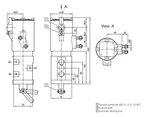
شیر برقی مکسیل (Maxseal) با آپشن ( Automatic latching lever) که دارای دیلوج ولو (Diloge valve) استفاده میشود و دارای نقشه زیر میباشد:
شیر برقی مکسیل Maxseal با آپشن ( jack scrow manual override) دارای نقشه زیر است:
آپشنهای lever manual reset و manual override lever فقط یک آپشن برای مدلهای با فشار ۴۱۴ بار میباشد.
همچنین بخوانید: برای آشنایی بیشتر درباره شیر برقی آسکو این مطلب را بخوانید
قیمت شیر برقی ضد انفجار
با عرض پوزش کلیه قیمت ها در حال بروزرسانی می باشد، لطفا جهت اطلاع از قیمت شیر برقی ضد انفجار با شماره 02188800719 در ارتباط باشید.
سوالات متداول
1. شیر برقی ICO4S در چه صنایعی کاربرد دارد؟
این شیر برقی برای صنایع نفت، گاز، پتروشیمی و محیطهای با خطر انفجار طراحی شده است.
2. آیا مدلهای دیگر با فشارهای کاری بالا موجود است؟
بله، مدلهای خاصی از این شیر برای فشارهای کاری تا 414 بار طراحی شدهاند.


















نقد و بررسیها
هنوز بررسیای ثبت نشده است.